Tat Acharya
Science III, 303
Department of Physics and Engineering
California State University, Bakersfield
Bakersfield, CA 93311
tacharya@csub.edu
661-654-2316
Educational Background
- PhD, Mechanical Engineering, Louisiana State University, 2014
- MS, Mechanical Engineering, Louisiana State University, 2008
- BE, Production Engineering, University of Pune, India, 2004
Research Goal
Dr. Acharya has a broad background in mechanical engineering with an expertise in thermal and fluid sciences. His current research goal is twofold: (a) modeling various natural and synthetic thermal-fluid flow systems using computational fluid dynamics (CFD) and (b) flow visualization experimentation.
Research Overview and Projects
-
Completed Projects
- Rarefied Gas Dynamics
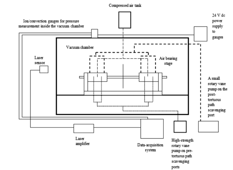
Dr. Acharya’s publications from his doctoral dissertation focused on measuring the continuum breakdown and very important gas versus material interaction parameters in rarefied flows. He built an experimental facility from ground up and used it for these measurements. His preliminary work involved performing CFD analyses to design a test chamber and to predict the onset of continuum breakdown. Following this, he designed and built a vacuum compatible gas bearing stage and integrated it with a vacuum system, and a data acquisition system. Real-time data was logged onto a computer using the data acquisition system. Figure 1 shows a schematic of the experimental facility built by Dr. Acharya.
Figure 1: Experimental Facility Schematic
Dr. Acharya’s dissertation work resulted in two high impact journal manuscripts. As a tenure-track faculty, Dr. Acharya post-processed some additional results and published a journal manuscript from this project. - Flow Assurance/Upstream Petroleum Engineering
- Dr. Acharya joined CSUB’s department of engineering as a lecturer in August 2016 and
he became an assistant professor in August 2018. At CSUB, Dr. Acharya has developed
a research program focusing into thermal-fluid applications into petroleum engineering,
and urban climate.
Between January and December 2017, he worked with two undergraduate women engineering students and investigated formation of solid deposits such as natural gas hydrates and paraffin waxes in subsea pipelines. This work resulted in two international journal manuscripts.
Student researchers:
- Meagan White (currently working as an engineer at Rain for Rent)
- Kelly Huot (Pierce) (currently working as an engineer at California Resources Corporation)
- Dr. Acharya joined CSUB’s department of engineering as a lecturer in August 2016 and
he became an assistant professor in August 2018. At CSUB, Dr. Acharya has developed
a research program focusing into thermal-fluid applications into petroleum engineering,
and urban climate.
- Modeling of flow characteristics in multiphase separators
-
During spring 2019, Dr. Acharya worked with an undergraduate engineering student and they studied multiphase flow characteristics in a two-phase horizontal separator. This work resulted in an international journal manuscript. Under Dr. Acharya’s supervision, a second undergraduate engineering student performed additional CFD analyses. This work was funded by CSUB Research Council of the University (RCU) 2019 and the work resulted in 2 journal articles and 1 peer reviewed conference article.
Student researchers:
- Lucio Casimiro (currently working as an operations assistant at Northern Digital Inc.)
- Terry Potter (currently working as an engineer in Bakersfield, California)
-
- Urban Heat Island Effect
-
Along with an undergraduate student, Dr. Acharya has been studying the effect of pavement materials on urban heat island effect as a function of ambient conditions at a geographical location. This work involved CFD analyses. This work is a part of a larger project funded through Mineta Transportation Institute.
Student researcher:
- Brooke Riehl (currently working as a civil engineering intern at MKN)
-
- Flow Through Sandstone Rocks
-
Under Dr. Acharya’s supervision, currently an undergraduate student is modeling flow through sandstone rocks using CFD. This project is funded through Chevron – California Energy Research Center.
Student researcher:
- Andrew Goodwin (currently a senior year undergraduate student of engineering at CSUB)
-
- Rarefied Gas Dynamics
-
Ongoing Projects
- Experimental Facility Development
- We are in the process of building a flow visualization experiment using particle image velocimetry. Currently, student research assistants are sought to work on the project.
- Analysis of aerosol dispersion using computational fluid dynamics
-
Currently Dr. Acharya and an undergraduate student of engineering have been working towards modeling airborne pathogen transmission using computational fluid dynamics. This work has been funded through CSUB RCU 2021.
Student Researcher:
- Chance Parrotte
-
- Experimental Facility Development
Selected Publications
- T. Acharya, L. Song, E. Duginski, and A. Goodwin. "Evaluation of Relative Permeability Curves in Sandstone Core Flooding Using Computational Fluid Dynamics." Processes 11, no. 3 (2023): 780. https://doi.org/10.3390/pr11030780
- T. Acharya, B. Riehl, and A. Fuchs, 2021. “Effects of Albedo and Thermal Inertia on Pavement Surface Temperatures with Convective Boundary Conditions—A CFD Study”, Processes, 9(11), p.2078.
- T. Acharya, and T. Potter, 2021, “A CFD study on hydrocarbon mean residence time in a horizontal oil-water separator”, Springer SN Applied Sciences, 3(4), pp.1-10.
- B. Bhattacharjee, and T. Acharya, 2020. “The COVID-19 pandemic and its effect on mental health in USA-a review with some coping strategies. Psychiatric Quarterly, pp.1-11.
- T. Acharya, and L. Casimiro, 2020, “Evaluation of flow characteristics in an onshore horizontal separator using computational fluid dynamics”, Elsevier Journal of Ocean Engineering and Science, https://www.sciencedirect.com/science/article/pii/S2468013320300036
- T. Potter, and T. Acharya, 2020, August. Evaluation of Flow Characteristics in an Oil-Water Separator Using Computational Fluid Dynamics. In ASME 2020 39th International Conference on Ocean, Offshore and Arctic Engineering. American Society of Mechanical Engineers Digital Collection.
- T. Acharya, J. Falgoust, I. Schoegl, and M. Martin, 2019, “Measurement of Variation of Momentum Accommodation Coefficients with Molecular Mass and Structure”, Journal of Thermophysics and Heat Transfer, American Institute of Aeronautics and Astronautics, 33(03), pp. 773-778, https://arc.aiaa.org/doi/abs/10.2514/1.T5659
- Pierce, M. White, and T. Acharya, 2019, “Natural Gas Hydrates: A Review of Formation, and Prevention/Mitigation in Subsea Pipelines”, Advanced Science, Engineering and Medicine, American Scientific Publishers, 11(6), pp. 453-464, https://www.ingentaconnect.com/contentone/asp/asem/2019/00000011/00000006/art00001
- White, K. Pierce, and T. Acharya, 2018. A Review of Wax-Formation/Mitigation Technologies in the Petroleum Industry. SPE Production & Operations, 33(03), pp.476-485, https://www.onepetro.org/journal-paper/SPE-189447-PA
- T. Acharya, J. Falgoust, R. Rasmussen, and M. Martin, 2016, “Disk spin-down measurements in the free molecular flow regime: A new method for measurement of tangential momentum accommodation coefficients”, Elsevier Vacuum, 126, pp. 70 - 79, https://www.sciencedirect.com/science/article/pii/S0042207X16300124
- T. Acharya, J. Falgoust, M. Martin, and R. Rasmussen, 2015, “Measurement of continuum breakdown during disc spin-down in low pressure air”, Journal of Thermophysics and Heat Transfer, 29(2), 281 - 290, https://arc.aiaa.org/doi/abs/10.2514/1.T4305
- T. Acharya and R. Devireddy, 2010. “Cryomicroscopic investigations of freezing processes in cell suspensions”, The Open Biotechnology Journal, 4, 26 - 35.
Teaching
ENGR 3110 Thermodynamics
ENGR 3120 Fluid Mechanics